2026年04月09日 21:17广州纹徕仪器仪表有限公司点击量:29
XST/C-H1IT2B1V0N显示控制器尺寸图文字解析:





广州纹徕致力于电力配电和工业自动化控制两大领域的供应商。研制信号隔离器、隔离配电器、信号分配器、隔离安全栅、电量变送器、直流电能表、智能数显仪表、多功能电力仪表以及非标定制仪表等产品的高新技术企业。产品行销地区各地,在电力、石油、化工、煤矿、钢铁、轻工机械、造纸印染、酿造、电子、纺织、塑胶、污水处理、智能化楼宇建筑、航天基地、电镀、太阳能光伏发电、新能源等众多行业得到广泛应用。
XST-AH2IT2B1V0N显示控制器
说明:
①基本误差优于±0.2%F·S。16位A/D转换器。测控周期0.2秒,可提高到0.1秒。8段折线功能?
②抗干扰设计,抑制现场的继电器、接触器等产生的快速脉冲群干扰和其它电磁干扰,抗干扰能力达到III级
③输入信号:热电阻,热电偶,直流电流,直流电压,远传压力表等。F2、WL等特殊分度,订货时要说明
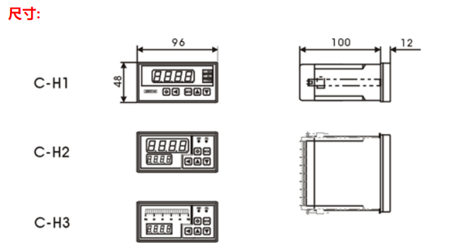
④外形尺寸:160×80(横/竖),96×96,96×48(横/竖),72×72,48×48以及台式实验室用仪表
⑤仪表电源220V?AC,(9~30)V?DC(订货时注明)
XST-AH2IT2B1V0N显示控制器
基本配置:单显示XST-AH2IT2B1V0N显示控制器
扩展功能
①测量值光柱显示,报警设定值数字显示,160×80铝合金外壳型
②报警输出:160×80,96×96规格最多可加4点;96×48规格最多可加3点,72×72,48×48规格最多可加2点;160×80铝合金外壳型最多可加8点
③变送输出,通讯接口:RS?485或RS?232,打印机接口(不含打印机单元)
④外供普通电源(给变送器供电):24V或12V或5V?外供精密电源(給荷重、压力等传感器)XST-AH2IT2B1V0N显示控制器XST-AH2IT2B1V0N显示控制器XST-AH2IT2B1V0N显示控制器
本网转载并注明自其它来源(非智慧城市网www.afzhan.com)的作品,目的在于传递更多信息,并不代表本网赞同其观点或和对其真实性负责,不承担此类作品侵权行为的直接责任及连带责任。其他媒体、网站或个人从本网转载时,必须保留本网注明的作品第一来源,并自负版权等法律责任。